Empfang von Wetterballonen
|
Grundlagen:
Mit dem Empfang der Daten von Wetterballonen ist es ähnlich wie
beim Empfang von Wettersatelliten. Natürlich lassen sich alle
möglichen atmosphärischen Daten heutzutage im Internet finden.
Das kann einen echten Bastler aber nicht davon abhalten selber einen
Ballonempfänger zu bauen und die Daten "live" mit zuschreiben
.
Viele Wetterstationen verwenden Sonden der finnischen Firma >
VAISALA <. Diese Geräte senden ihre Daten im UHF-Band
bei 400 MHz. Da die Sendeleistung etwa 50mW beträgt kann über
eine Entfernung von über 100 km empfangen werden. Die digitalisierten
Daten der Sensoren für Luftdruck (Höhe), Temperatur und
Luftfeuchtigkeit werden mittels GMSK-Modulation zur Bodenstation übertragen.
Viele Sonden tragen auch eine GPS-Empfänger der die Positiondaten
übermittelt. So können ohne aufwändige Radarmessungen
auch Windgeschwindigkeiten bestimmt werden.
|
|
 |
Die Radiosonde RS92-SGP
( ohne Gehäuse)
|
| Auf der Platine befinden sich
die Messelektronik und der UHF-Sender Deutlich sichtbar ist die Quadrifilar-
Antenne des GPS-Empfänger. Der rechte, etwa 30 cm lange Stahldraht
ist die UHF-Sendeantenne. Auf der linken flexiblen Leiterplatte sind
die Sensoren untergebracht. Links der Temperatursensor, daneben die
beiden Feuchtsensoren. Der Drucksensor ist auf dem Bild nichtr sichtbar |
|
| Empfangsystem für Ballonsonden |
Antenne:
Für den Empfang weiter entfernter Radiosonde benötigt man
eine gute Antenne. Der Verfasser verwendet eine selbstgebaute Yagi
mit insgesammt sieben Elementen nach einem Design von F4ESK.
Der Boom besteht aus 10 x 10 mm Alu-Vierkantrohr, die Stäbe aus
6 mm Alu-Rohr, alles vom Baumarkt. Das Antennenkabel RG58U ist ohne
Anpassung und Symmetrierung direkt am Mittelspalt des Dipols angeschlossen.
Da die Sendeantenne am Ballon vertikal polarisiert ist steht auch
die Yagiantenne hochkant und je nach Flugbahn des Ballon ist sie mehr
oder weniger geneigt. |
| |
Abstand |
Länge |
| Reflektor |
0 |
370 |
| Dipol |
166 |
367 |
| 1. Direktor |
237 |
324 |
| 2. Direktor |
369 |
320 |
| 3. Direktor |
528 |
317 |
| 4. Direktor |
716 |
312 |
| 5. Direktor |
923 |
310 |
|
|
|
Vorverstärker:
Da es dem folgendem Empfänger etwas an Empfindlichkeit fehlt
wird noch ein Vorverstärker zwischen Antenne und Empfänger
eingeschleift. Der Eingangs- und Ausgangskreise des Verstärkers
sind als Topfkreise ausgeführt und sind auf eine Mittenfrequenz
von 402 MHz abgestimmt. Das aktive Element ist ein rauscharmer Transistor
BF 981. |
 |
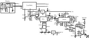
Empfängerplatine:
Der eigentliche Empfänger ist auf einer Lochrasterplatte im Euroformat
auf gebaut und passt in das schon mehrfach erwähnte 19-Zoll Messsytem.
Um den etwas kritisches Aufbau eines 400 MHz Eingangsteiles zu umgehen
wurde ein fertiger TV-Tuner zu diesem Zweck verwendet. Dieser Tuner
FM12 von Phillips war auf vielen TV-Karten verbaut und ist oft sehr
günstig bei Ebay zu bekommen. |
|
| Für diesen Zweck wird der Bereich 2 ( 160 .. 442
MHz) verwendet. Die Abstimmung und Bereichsumschaltung des Tuner erfolgt
über den I2C-Bus. Leider sind der ZF-Verstärker und die
Demodulatoren des Tuners für den GMSK-Empfang völlig ungeeignet.
Deshalb wird das ZF-Signal nach dem Mischer entnommen und nach einer
Nachverstärkung auf 10.7 MHz gemischt. |
 |
Als Mischer und
zweiter LO arbeitet der altbekannte SO42P. Der 2. LO ist mit einer
Kapazitätsdiode zur Feinabstimmung um etwa 100 kHz verstellbar,
da der Synthesyzer des Tuner nur Schritte von 50 kHz erlaubt. Das
10.7 kHz Signal wird nach Filterung mit einem Keramikfilter dem FM-Baustein
TDA1047 zugeführt. Diese Baustein beinhaltet den 2. ZF-Verstärker
und den Schmalband-FM-Demodulator. Das NF-Signal wird weiter verstärkt
und mit einem Komparator digitalisiert. Die Rechteckspannung wird
dann dem Soundeingang des PCs zugeführt. Ein parallerer Zweig
verstärkt die NF für die Lautsprecherwiedergabe zu Kontrolle
des Empfangs. |
 |
|
| Ist die Anlage fertigt kann man die ersten Empfangsversuche unternehmen.
Die meisten Ballonstart finden um 12:00 und um 0:00 Ortszeit statt.
Genaue Zeiten und Frequenzen findet man. z.B. auf der Seite der Sondenjäger.
Die Seite bietet neben der Lage der Startplätze auch sehr viele
Infos rund ums Thema. |
| Für den Standort des Verfassers im Süden von München
kommt die Wetterstation in Oberschleissheim
für erste Versuche in Frage. Deren Ballon senden auf 405.5 MHz.. |
|
| Die Auswertung der Signale erfolgt durch ein entsprechendes
Programm im PC dem die Audiofrequenz über den Soundeingang zugeführt
wird. Zuerst sollte man sich das NF-Spektrum überprüfen.
Das kann z.B. mit >
Spectrum Lab < von Wolfgang Büscher geschehen. Im
Bereich von 0 Hz bis 6000 Hz fällt die Hauptlinie bei 2400 kHz
auf. Im unteren Spektrum ist das Signal noch verrauscht aber schon
gut genug dass Datenframes gelesen werden können. |
|
| , |
 |
|
| |
Die Daten der Sonde werden im Manchestercode übertragen. Für
die Dekodierung verwendet man am einfachsten ein fertiges Programm.
Sehr geeignet ist das Programm >SondeMonitor<
das man als kostenlose 30 Tage von COAA Centro de Observação
Astronómica no Algarve
bekommen kann. |
|
|
|
 |
Als Ergebniss der Bemühungen
erhält man dann einen Plot der Sensordaten. Die braune
Kurve zeigt die Temperatur, die rote
und die orange Kurve die Luftfeuchtigkeit, und die blaue
Kurve zeigt die Daten des Barometers und somit die Flughöhe.
Die Höhenkurve zeigt auch deutlich das Platzen des Ballons nachdem
die Sonde am Fallschirm zur Erde zurück kehrt.
In einem Fenster werden die zugehörigen Zahlenwerte, die Uhrzeit,
die Frequenz und die GPS-Daten angezeigt.
Im linken Bild wurden die GPS-Daten in eine aus Google-Map entlehnte
Karte eingetragen. Man sieht den Flug des Ballons von München
(Start in Oberschleissheim) , entlang des Starnberger Sees nach Süden
zum Kochelsee. Hier dreht offenbar der Wind und der Ballon treibt
entlang der Deutsch-Österreichen Grenze nach Osten.
|
| Vom Standort des Verfasser im Süden von München
sind Ballone von verschiedenen Startorten gut zu empfangen. |
|
|
| |
| Startort |
Entfernung |
Frequenz |
|
|
| |
|
|
|
| Oberschleissheim |
16 km |
405.5 MHz |
sehr starkes Signal |
| Altenburg |
56 km |
402.5 MHz |
sehr starkesSignal |
|
|
Kümmersbruck
|
150 km |
402.7 MHz |
gutes Signal |
| Stuttgart |
189 km |
405.1 MHz |
mäßig, aber dekodierbar |
|
|
| Meiningen |
286 km |
402.3 MHz |
gutes Signal |
|
|
| |
|
|
|
|
|
| |
|
|
| |
|
|
| |
| |