Home

 

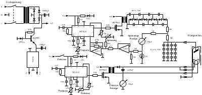
50 kV Netzgerät

Das Netzgerät wurde speziell zum Betrieb der Röntgenröhre OX/70-DC gebaut. Die Röhre besitzt eine Wolframanode kann mit einer Anodenspannung von 70kV und einem Strom von 1,5 mA betrieben werden. Eigentlich ist die Röhre für Durchleuchtungen in der Tiermedizin gedacht aber es spricht nichts dagegen sie mit deutlich niedrigeren Betriebswerten in der Röntgenanalytik zu verwenden.

Das Netzgerät wurde für eine Spannung von 50 kV bei einem Röhrenstrom von 100 µA ausgelegt. Diese Werte sind mehr als genug um ausreichend hohe Zählraten zu erhalten. Bei dieser niedrigen Röhrenleistung von maximalen 5 Watt kann auch auf eine Zwangskühlung der Röhre verzichtet werden.

Zur Erzeugung der Hochspannung wird ein Impulsbreiten gesteuertes Schaltnetzteil verwendet. Die Impulsspannung des Steuer-ICs SG 3525 wird wird mit einem MOS-Fet verstärkt, mit einem modifiziertem Zeilentrafo hochspannt und mit einer 8-fach Greinacherschaltung gleichgerichtet und vervielfacht. Die erzeugte Hochspannung wird mit einem 1 GOhm Widerstand geteilt, und mit einer einstellbaren Referenzspannung verglichen. Die so erzeugte Regelspannung wird verstärkt um dem Steuer-IC zugeführt. Der Strom durch den 1 GOhm Widerständ fliesst auch durch durch das Messgerät (100µA ~ 100 Kv) zur Anzeige der Spannung. Die Welligkeit der Hochspannung wird durch ein Siebglied
1 MOhm und 1nF (60kV) verringert.
Ähnlich arbeitet die Spannungserzeugung des Heizstromkreises. Jedoch wird hier nur eine Impulsbreite eingestellt die nicht durch eine Rückkopplung geregelt wird. Der Emissionsstrom wird mit einem Messgerät (100 µA) angezeigt.

Die Versorgung des HV-Teils und des Heizersupplies erfolgt mit einem 25 V Netzteil. Die Hilfsspannungen von 12 V werden mit einem DC/DC Wandler erzeugt.
   
 
 
 
 
 

Schaltung PDF-Format Schaltplan im PDF-Format